產品編號:GX…S 10~200
滑動磨擦副: 鋼/鋼
產品特點:軸、座圈材料均為軸承鋼,淬火,磷化,座圈有潤滑油槽油孔,滑動表面涂敷二硫化鉬。
使用溫度范圍:-50℃~+150℃
軸 承 型 號 Bearing number | 外 形 尺 寸 Dimensions mm | 額定載荷 Load ratings kN | 重 量 Weight ≈kg | ||||||||||||
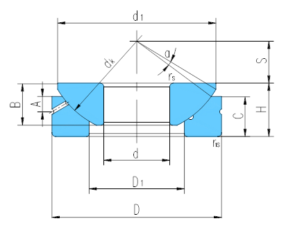
d | D | B | C | H | dk | S | d1 max | D1 min | A | rs,r1s min | α? ≈ | 動載荷 Dynamic | 靜載荷 Static | ||
GX10S | 10 | 30 | 7.5 | 7 | 9.5 | 32 | 7 | 27.5 | 15.5 | 3 | 0.6 | 5 | 27 | 136 | 0.036 |
GX12S | 12 | 35 | 9.5 | 9.3 | 13 | 38 | 8 | 32 | 18 | 4 | 0.6 | 5 | 37 | 188 | 0.072 |
GX15S | 15 | 42 | 11 | 10.8 | 15 | 46 | 10 | 39 | 22.5 | 5 | 0.6 | 6 | 53 | 267 | 0.108 |
GX17S | 17 | 47 | 11.8 | 11.2 | 16 | 52 | 11 | 43.5 | 27 | 5 | 0.6 | 4 | 61 | 311 | 0.137 |
GX20S | 20 | 55 | 14.5 | 13.8 | 20 | 60 | 12.5 | 50 | 31 | 6 | 1 | 5 | 84 | 425 | 0.246 |
GX25S | 25 | 62 | 16.5 | 16.7 | 22.5 | 68 | 14 | 58.5 | 34.5 | 6 | 1 | 5 | 134 | 672 | 0.415 |
GX30S | 30 | 75 | 19 | 19 | 26 | 82 | 17.5 | 70 | 42 | 8 | 1 | 5 | 182 | 909 | 0.614 |
GX35S | 35 | 90 | 22 | 20.7 | 28 | 98 | 22 | 84 | 50.5 | 8 | 1 | 5 | 266 | 1330 | 0.973 |
GX40S | 40 | 105 | 27 | 21.5 | 32 | 114 | 24.5 | 97 | 59 | 9 | 1 | 6 | 357 | 1810 | 1.59 |
GX45S | 45 | 120 | 31 | 25.5 | 36.5 | 128 | 27.5 | 110 | 67 | 11 | 1 | 6 | 486 | 2470 | 2.24 |
GX50S | 50 | 130 | 33 | 30.5 | 42.5 | 139 | 30 | 120 | 70 | 10 | 1 | 6 | 554 | 2810 | 3.14 |
GX60S | 60 | 150 | 37 | 34 | 45 | 160 | 35 | 140 | 84 | 12.5 | 1 | 6 | 748 | 3820 | 4.63 |
GX70S | 70 | 160 | 42 | 36.5 | 50 | 176 | 35 | 153 | 94.5 | 13.5 | 1 | 3 | 902 | 4610 | 5.37 |
GX80S | 80 | 180 | 43.5 | 38 | 50 | 197 | 42.5 | 172 | 107.5 | 14.5 | 1 | 4 | 1110 | 5700 | 6.91 |
GX100S | 100 | 210 | 51 | 46 | 59 | 222 | 45 | 198 | 127 | 15 | 1.1 | 4 | 1300 | 6470 | 11 |
GX120S | 120 | 230 | 53.5 | 50 | 64 | 250 | 52.5 | 220 | 145 | 16.5 | 1.1 | 3 | 1530 | 7580 | 14 |
GX140S | 140 | 260 | 61 | 54 | 72 | 274 | 52.5 | 243 | 177 | 23 | 1.5 | 3 | 1820 | 9040 | 19.1 |
GX160S | 160 | 290 | 66 | 58 | 77 | 313 | 65 | 271 | 200 | 23 | 1.5 | 2 | 2100 | 10440 | 25 |
GX180S | 180 | 320 | 74 | 62 | 86 | 340 | 67.5 | 299 | 225 | 26 | 1.5 | 4 | 2430 | 12070 | 32.8 |
GX200S | 200 | 340 | 80 | 66 | 87 | 365 | 70 | 320 | 247 | 27 | 1.5 | 1 | 3070 | 15280 | 35.4 |
????